خانه / دسته بندی محصولات / ماشین آلات / بسته بندی / کیسه پرکن / کیسه پرکن سیمان
کیسه پرکن سیمان
5 / 4.0
براساس 3 نظر مشتریان
کیسه پرکن سیمان سیمان ، گچ ، سیمان سفید ، پودر نسوز ، ماسهگرافیت ، سولفات باریم ، سنگ گچانواع گرانول و مستربچ ، کود ، آهک هیدراته ، اکسید روی ، اکسیدآهن ، کربن سیاه ،آرد ، شکر ، نمک ، پودر کیک ، کاکائو، خوراک دام ، انواع دانه ، کود ، خاک اره| وزن های 10 تا 50 کیلوگرم| سرعت تا 10 کیسه در دقیقه| تک شیر
توضیحات
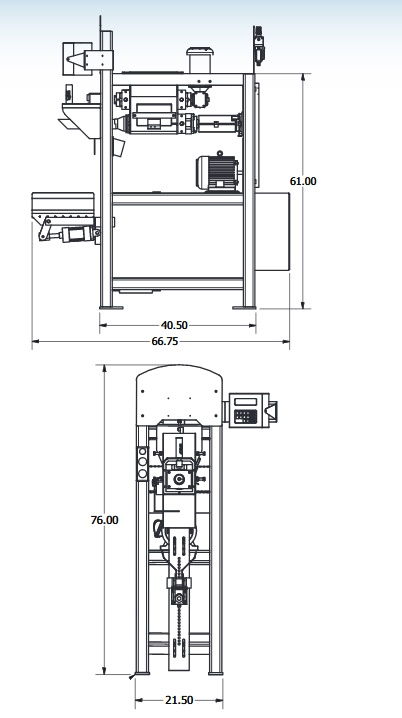
دستگاه کیسه پرکن سیمان
این نوع از کیسه پرکن هم برای استفاده های دستی مناسب است و هم اتوماتیک. کیسه پرکن سیمان همچنین برای محصولات صنعتی، معدنی و انواع دانه جات و محصولات غذایی کاربرد دارد. از آنجایی که ولو پر کن وارد کیسه می شود ، جریان محصول وارد شده به کیسه همیشه محفوظ و پوشیده است و این احتمال ایجاد گردوغبار و پاشش را از بین می برد.
با کیسه پرکن ولو دار ما می توانید کیسه هایی با وزن 9 تا 50 کیلوگرم را پرکنید. تعداد کیسه های پر شده در هر ساعت برای محصولات پوسته ای و درشت یا پودری / گرانولی 24 کیسه در دقیقه است .(1440 کیسه در ساعت)
موارد استفاده کیسه پرکن سیمان ولودار | ولو بگ
کیسه مصالح ساختمانی : سیمان ، گچ ، سیمان سفید ، پودر نسوز ، ماسه
کیسه مواد معدنی صنعتی : گرافیت ، سولفات باریم ، سنگ گچ
کیسه مواد شیمیایی: انواع گرانول و مستربچ ، کود ، آهک هیدراته ، اکسید روی ، اکسید آهن ، کربن سیاه
کیسه مواد خوراکی : آرد ، شکر ، نمک ، پودر کیک ، کاکائو
کیسه کشاورزی: خوراک دام ، انواع دانه ، کود ، خاک اره

توانایی های فنی کیسه پرکن سیمان ولو دار مدل 230
محدوده وزنی کیسه ها می تواند از 9 تا 50 کیلو گرم باشد
نرخ پر کردن کیسه : 1 تا 5 کیسه در دقیقه بسته به اندازه کیسه و ماهیت محصول
نوع کیسه ها : کاغذی ، پلاستیکی و کیسه های بافته شدی پولی ووِن
دقت وزنی کیسه های پرشده : 1-5 درصد از وزن هدف
سیستم کنترل هوا 5.5 بار (سیستم پایه نیاز به هوا ندارد)
نیازمندی های الکتریکی : 220 ولت ، 380 ولت ، 440 ولت یا 575 ولت / 3 فاز / سیکل 60
مجموعه گرد غبار توصیه شده : 350 متر مکعب

مشتری هایی که به کیسه پرکن سیمان مدل 230 علاقه دارند همچنین از دستگاهها و ملزومات دیگری که برای تکمیل فرایند تولید و اتوماتیک سازی آن نیاز است را بررسی می کنند . مانند دستگاههای دوخت کیسه که انواع مختلف حرارتی ، دوخت با نخ و انواع نوار نقاله برای جابجایی کیسه ها دارند که درباره آنها می توانیم در خدمتتان باشیم.
[[ comment.description ]]
[[ reply.description ]]